无人机、多旋翼、大疆 DJI、云台、电动、油动直升机、直升机配件及辅助设备。
恒力 Q4(3914) 390KV 多旋翼 马达/ 6S 粗线
特 征:
恒力全新Q系列多旋翼马达,采用最新的结构设计,优化定子绕线,采用大直径单芯无氧铜线,纯手工绕线,可很好的提升马达的运行效率,有效降低运行中产生的热量.同时选用了新型优化的矽钢片,具备更高的兼容特性.
技术参数:
产品名称:恒力最新 Q4(3908) 390KV 多旋翼 马达/ 6S 粗线
厂家编号:Q4-390
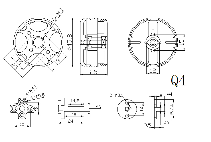
| Q4 18N24P多旋翼无刷电机 |
|
|
| 型号(Motor Type) | Q4 KV320 | Q4 KV390 | Q4 KV620 |
| 铁芯尺寸Iron Core Size(mm) | 3908 |
| 电机尺寸Motor Size(mm) | ¢46*25 |
| 重量Weight | 112g |
| 空载电流Idle Current(10V) | 0.4A | 0.5A | 0.9A |
| 支持锂电Support Lithium Battery | 4-6S LiPo | 4-6S LiPo | 3-4S LiPo |
| 最大电流Max Continuous Current(A) | 15 | 19 | 29 |
| 最大功率Max Continuous Power(W) | 380 | 400 | 420 |
| 内阻Internal Resistance | 0.239Ω | 0.179Ω | 0.085Ω |
| 测试参数与配置 Test Parameters and Assembly |
| 电机型号Motor Type | 锂电池Lithium Battery | 螺旋桨Propeller | 适合起飞重量Appropriate Take-off Weight |
| 4轴 (axle) | 6轴(axle) | 8轴(axle) |
| Q4 KV390 | 6S | 1147 | 2.1KG-2.6KG | 3.2KG-3.9KG | 4.3KG-5.2KG |
|
| |
| 电流Current(A) | 2 | 3 | 4 | 5 | 6 | 7 | 8 | 9(MAX) |
| 拉力Pulling Force(g) | 418 | 562 | 716 | 800 | 953 | 1039 | 1140 | 1244 |
| 功率Power(W) | 48 | 72 | 96 | 120 | 144 | 168 | 192 | 216 |
| 力效Efficiency(g/W) | 8.708 | 7.806 | 7.458 | 6.667 | 6.618 | 6.185 | 5.938 | 5.759 |
| |
| 电机型号Motor Type | 锂电池Lithium Battery | 螺旋桨Propeller | 适合起飞重量Appropriate Take-off Weight |
| 4轴 (axle) | 6轴(axle) | 8轴(axle) |
| Q4 KV390 | 6S | APC1238 | 2.4KG-3.2KG | 3.6KG-4.7KG | 6.7KG-8.8KG |
|
| |
| 电流Current(A) | 2 | 4 | 6 | 8 | 10 | 12 | 14(MAX) | |
| 拉力Pulling Force(g) | 428 | 710 | 950 | 1160 | 1320 | 1490 | 1620 | |
| 功率Power(W) | 48 | 96 | 144 | 192 | 240 | 288 | 336 | |
| 力效Efficiency(g/W) | 8.917 | 7.396 | 6.597 | 6.042 | 5.500 | 5.174 | 4.821 | |
| |
| 电机型号Motor Type | 锂电池Lithium Battery | 螺旋桨Propeller | 适合起飞重量Appropriate Take-off Weight |
| 4轴 (axle) | 6轴(axle) | 8轴(axle) |
| Q4 KV390 | 6S | 1355 | 2.4KG-3.1KG | 3.6KG-4.6KG | 6.7KG-8.6KG |
|
| |
| 电流Current(A) | 2 | 4 | 6 | 8 | 10 | 12.5(MAX) | | |
| 拉力Pulling Force(g) | 430 | 710 | 1000 | 1170 | 136 | 1580 | | |
| 功率Power(W) | 48 | 96 | 144 | 192 | 240 | 300 | | |
| 力效Efficiency(g/W) | 8.958 | 7.396 | 6.944 | 6.094 | 0.567 | 5.267 | | |
| |


附 件:
| 装箱单 Packing List |
|
| 序号 No. | 名称Description of Goods | 型号Type | 数量Quantity |
| 1 | 电机Motor | Q4 | *1pcs |
| 2 | 桨座Oar seat | Q4 | *1pcs |
| 3 | 螺旋桨压片Gasket | Q4 | *1pcs |
| 4 | 防松螺母Locknut | M6 | *1pcs |
| 5 | 内六角杯头螺丝SHCS | M3*10 | *2pcs |
| 6 | 内六角杯头螺丝SHCS | M3*6 | *8pcs |
客户评论:

