是否切换到触屏版浏览?
点此切换
品名
简介
全部
热:
TOWER
50cc
天地飞
FUTABA
2.4G
中特威
D6
CDI
30cm
F550
Super
SONY
模型视频
说明书
文章教程
大疆无人机
FPV/OSD/图传/航拍
多旋翼/穿越机
遥控模型
遥控设备
电子外设
发动机/燃油
工具/配件/其他
无人机、多旋翼、大疆 DJI、云台、电动、油动直升机、直升机配件及辅助设备。
首页
多旋翼/穿越机
多旋翼(2-8旋翼等飞行器)
多旋翼专用马达
产品编号: BM231612
产品品牌:
恒力
客户评论:
查看评论.
上架日期:
2014-03-13
最后更新:
2023-05-06
可打印页面
添加到收藏夹
关键词:
EAGLEPOWER
鹰动力
GA2316
1250KV
小型多旋翼马达
动平衡
原恒力
BM2316-1250KV
EAGLEPOWER 鹰动力 GA2316 1250KV 小型多旋翼马达 / 动平衡 原恒力 BM2316-1250KV
技术参数:
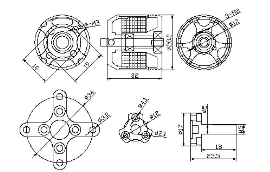
产品名称:EAGLEPOWER 鹰动力GA2316 1250KV 小型多旋翼马达 / 动平衡 原恒力 BM2316-1250KV
厂家编号:GA2316 1250KV
产品 K V:1250
马达净重: 58g 单马达
适合电压: 3S锂电
工作电流: <28A
适合用桨: 8-10寸2叶 或 5-6寸三叶
马达固定孔距: 16*19mm
附 件:
1 x 马达
1 x 十字安装架
1 x 专用桨夹
1 x 安装螺丝包
客户评论:
内容描述:
此处评论/问题为客户间交流.
发布为:
评论
问题
推荐星级:
5星
4星
3星
2星
1星