是否切换到触屏版浏览?
点此切换
品名
简介
全部
热:
VISION
72MHz
新款
15cc
5030
9g
4108
发射(TX)晶体(FUTABA用)
ASP三叶
D5
X2208
led
模型视频
说明书
文章教程
大疆无人机
FPV/OSD/图传/航拍
多旋翼/穿越机
遥控模型
遥控设备
电子外设
发动机/燃油
工具/配件/其他
无人机、多旋翼、大疆 DJI、云台、电动、油动直升机、直升机配件及辅助设备。
首页
多旋翼/穿越机
多旋翼(2-8旋翼等飞行器)
多旋翼专用马达
产品编号: BM230826
产品品牌:
恒力
客户评论:
查看评论.
上架日期:
2014-03-13
最后更新:
2021-05-22
可打印页面
添加到收藏夹
关键词:
EAGLEPOWER
鹰动力
GA2308
2600KV
小型多旋翼马达
动平衡
原恒力
BM2308-2600KV
EAGLEPOWER 鹰动力 GA2308 2600KV 小型多旋翼马达 / 动平衡 原恒力 BM2308-2600KV
技术参数:
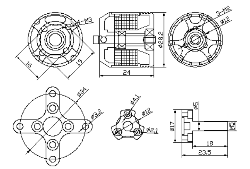
产品名称:EAGLEPOWER 鹰动力GA2308 2600KV 小型多旋翼马达 / 动平衡 原恒力 BM2308-2600KV
厂家编号:GA2308 2600KV
产品 K V:2600
马达净重: 44g 单马达
适合电压: 2S锂电
工作电流: <22A
适合用桨: 5-6寸APC2叶
马达固定孔距: 16*19mm
附 件:
1 x 马达
1 x 十字安装架
1 x 专用桨夹
1 x 安装螺丝包
客户评论:
内容描述:
此处评论/问题为客户间交流.
发布为:
评论
问题
推荐星级:
5星
4星
3星
2星
1星