是否切换到触屏版浏览?
点此切换
品名
简介
全部
热:
X8
无刷电子调速器
inspire
TOWER
4822
乾丰
3300mAh
22.2V
1806
14SG
Simonk程序
飞速达
模型视频
说明书
文章教程
大疆无人机
FPV/OSD/图传/航拍
多旋翼/穿越机
遥控模型
遥控设备
电子外设
发动机/燃油
工具/配件/其他
无人机、多旋翼、大疆 DJI、云台、电动、油动直升机、直升机配件及辅助设备。
首页
多旋翼/穿越机
多旋翼(2-8旋翼等飞行器)
多旋翼专用马达
产品编号: Q4XL390
产品品牌:
恒力
客户评论:
查看评论.
上架日期:
2015-01-20
最后更新:
2024-05-30
可打印页面
添加到收藏夹
关键词:
EAGLEPOWER
鹰动力
无刷电机
EA4114
390KV
原恒力
Q4XL(4114)
390KV
EAGLEPOWER 鹰动力 无刷电机 EA4114 390KV / 原恒力 Q4XL(4114) 390KV
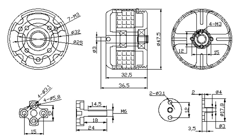
技术参数:
产品名称:
厂家编号:
附 件:
1 x 马达
1 x 桨夹
1 x 压片
2 x 螺丝包
客户评论:
内容描述:
此处评论/问题为客户间交流.
发布为:
评论
问题
推荐星级:
5星
4星
3星
2星
1星