无人机、多旋翼、大疆 DJI、云台、电动、油动直升机、直升机配件及辅助设备。
恒力最新 Q5(4314)360KV 多旋翼 马达/ 6S 粗线
特 征:
恒力全新Q系列多旋翼马达,采用最新的结构设计,优化定子绕线,采用大直径单芯无氧铜线,纯手工绕线,可很好的提升马达的运行效率,有效降低运行中产生的热量.同时选用了新型优化的矽钢片,具备更高的兼容特性.
技术参数:
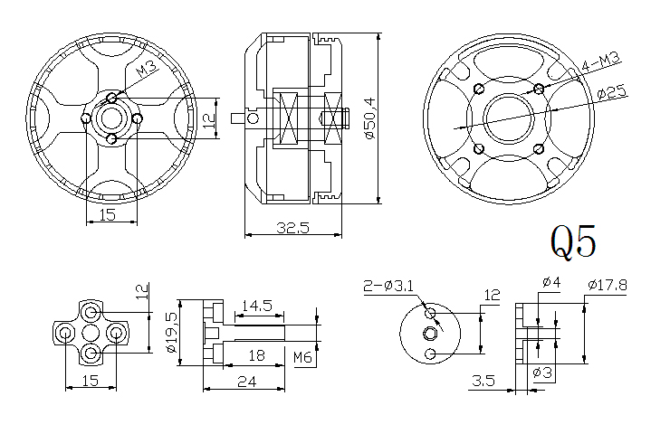
产品名称:恒力最新 Q5(4314)360KV 多旋翼 马达/ 6S 粗线
厂家编号:Q5-360
| Q5 18N24P多旋翼无刷电机 |
|
|
| 型号(Motor Type) | Q5 KV360 |
| 铁芯尺寸Iron Core Size(mm) | 4314 |
| 电机尺寸Motor Size(mm) | ¢50*32.5 |
| 重量Weight | 196g |
| 空载电流Idle Current(24V) | 1.4A |
| 支持锂电Support Lithium Battery | 4-8S LiPo |
| 最大电流Max Continuous Current(A) | 29 |
| 最大功率Max Continuous Power(W) | 690 |
| 内阻Internal Resistance | 0.097Ω |
| 测试参数与配置 Test Parameters and Assembly |
| 电机型号Motor Type | 锂电池Lithium Battery | 螺旋桨Propeller | 适合起飞重量Appropriate Take-off Weight |
| 4轴 (axle) | 6轴(axle) | 8轴(axle) |
| Q5 KV360 | 6S | 1447 | 3.8KG-5KG | 5.7KG-7.5KG | 7.6KG-10KG |
|
| |
| 电流Current(A) | 4 | 6 | 8 | 10 | 12 | 14 | 16 | 19.5(MAX) |
| 拉力Pulling Force(g) | 785 | 1077 | 1315 | 1525 | 1762 | 1960 | 2167 | 2524 |
| 功率Power(W) | 96 | 144 | 192 | 240 | 288 | 336 | 384 | 468 |
| 力效Efficiency(g/W) | 8.177 | 7.479 | 6.849 | 6.354 | 6.118 | 5.833 | 5.643 | 5.393 |
| |
| 电机型号Motor Type | 锂电池Lithium Battery | 螺旋桨Propeller | 适合起飞重量Appropriate Take-off Weight |
| 4轴 (axle) | 6轴(axle) | 8轴(axle) |
| Q5 KV360 | 6S | DJI1555 | 3.5KG-4.6KG | 5.3KG-7KG | 7.1KG-9.3KG |
|
| |
| 电流Current(A) | 3 | 6 | 9 | 12 | 15 | 17.5(MAX) | | |
| 拉力Pulling Force(g) | 620 | 1088 | 1430 | 1813 | 2101 | 2338 | | |
| 功率Power(W) | 72 | 144 | 216 | 288 | 360 | 420 | | |
| 力效Efficiency(g/W) | 8.611 | 7.556 | 6.620 | 6.295 | 5.836 | 5.567 | | |
| |
| 电机型号Motor Type | 锂电池Lithium Battery | 螺旋桨Propeller | 适合起飞重量Appropriate Take-off Weight |
| 4轴 (axle) | 6轴(axle) | 8轴(axle) |
| Q5 KV360 | 6S | 1655 | 4KG-5.2KG | 6KG-7.9KG | 8KG-10.6KG |
|
| |
| 电流Current(A) | 3 | 6 | 9 | 12 | 15 | 18 | 20.5(MAX) | |
| 拉力Pulling Force(g) | 674 | 1115 | 1498 | 1815 | 2118 | 2392 | 2637 | |
| 功率Power(W) | 72 | 144 | 216 | 288 | 360 | 420 | 492 | |
| 力效Efficiency(g/W) | 9.361 | 7.743 | 6.935 | 6.302 | 5.883 | 5.695 | 5.360 | |
| |


附 件:
| 装箱单 Packing List |
|
| 序号 No. | 名称Description of Goods | 型号Type | 数量Quantity |
| 1 | 电机Motor | Q5 | *1pcs |
| 2 | 桨座Oar seat | Q5 | *1pcs |
| 3 | 螺旋桨压片Gasket | Q5 | *1pcs |
| 4 | 防松螺母Locknut | M6 | *1pcs |
| 5 | 内六角杯头螺丝SHCS | M3*10 | *2pcs |
| 6 | 内六角杯头螺丝SHCS | M3*6 | *8pcs |
客户评论:




